开心购
快乐生活 开心购物
产品
产品
公司
搜索
产品行业分类
首页
应用工具
聚宝盆批发
超级营销推广
包装
女装
日用百货
机械及行业设备
服饰配件、饰品
电工电气
内衣
数码、电脑
美妆日化
运动户外
家装、建材
鞋
玩具
童装
男装
食品、饮料
橡塑
精细化学品
家纺家饰
餐饮生鲜
钢铁
LED
纺织、皮革
箱包皮具
家用电器
汽车用品
五金、工具
办公、文教
机床
工艺品、礼品
母婴用品
安全、防护
仪器仪表
加工
冶金矿产
宠物及园艺
汽摩及配件
通信产品
传媒、广电
电子元器件
更多 »
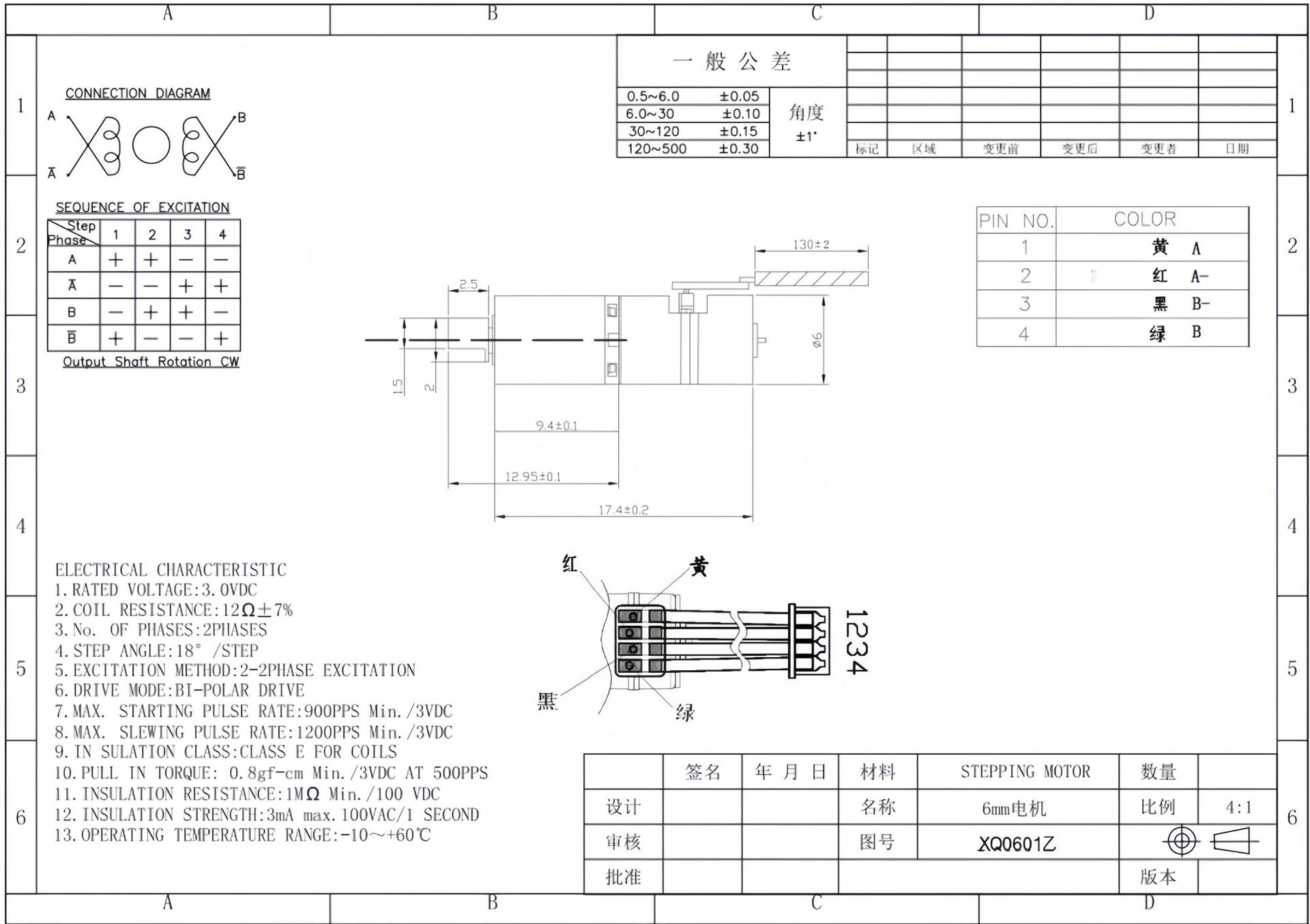
鑫琦深圳工厂6mm行星减速步进电机 3v可选转速 智能门锁可用
类目:
电工电气
6mm行星减速步进电机
可改变减速比
门锁可用
批发价格: 25
批发量:>1
联系旺旺
立即订购
加入购物车
,
推荐理由:
电机小,工作稳定
产品详情
关联产品
其他马达
其他马达
鑫琦深圳工厂6mm行星减速步进电机 3v可选转速 智能门锁可用,批发价,价格:25,厂家直销,鑫琦深圳工厂6mm行星减速步进电机 3v可选转速 智能门锁可用,免费拿样。